部品分類リスト
閉じる
MSX651
生産開始 2025年/現行
~ご利用方法~
1.▼をクリックし、ご希望のページを選択します。
2.[移動]ボタンをクリックすると、表示されます。
下の図をクリックして、希望のページへ移動することもできます。
▼ 目次
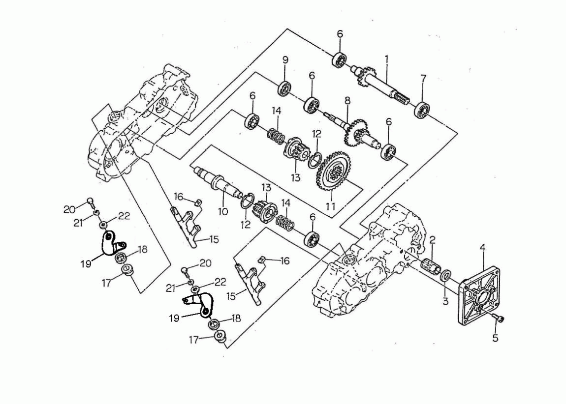
1.ギヤーボックス関係(その1)
1.ギヤーボックス関係(その2)
1.ギヤーボックス関係(その3)
1.ギヤーボックス関係(その4)
1.ギヤーボックス関係(その5)
1.ギヤーボックス関係(その6)
1.ギヤーボックス関係(その7)
2.フレーム関係
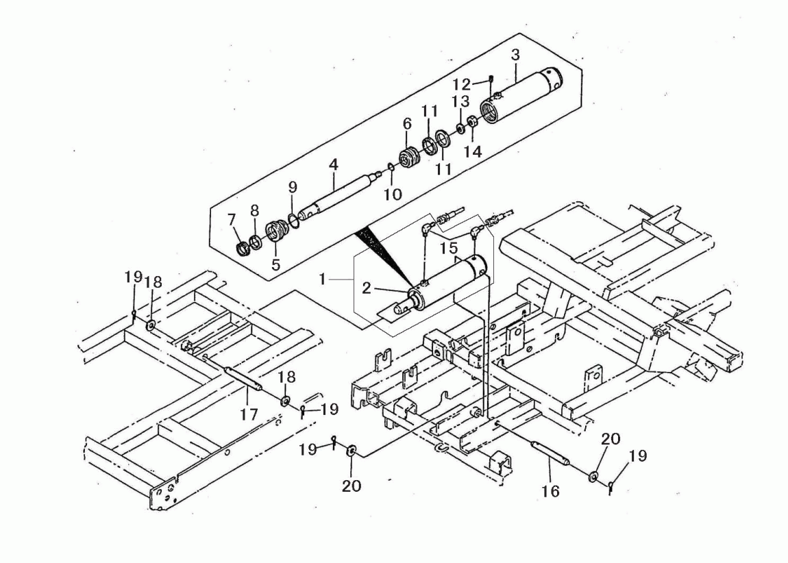
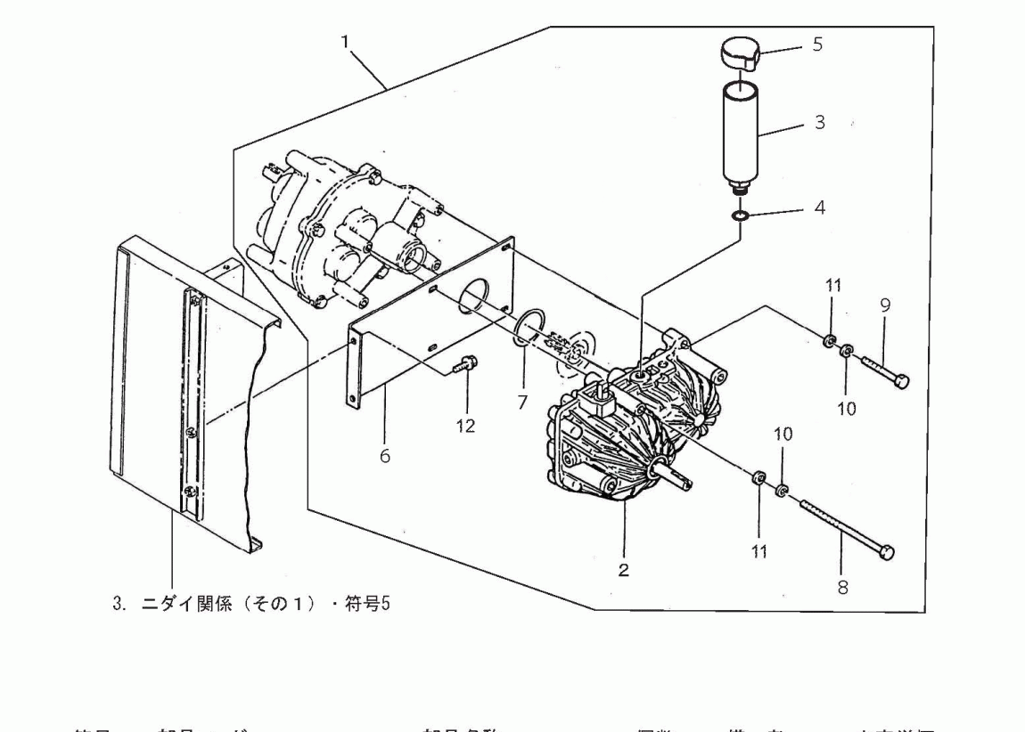
3.ニダイ関係(その1)
3.ニダイ関係(その2)
4.コンベア関係(その1)
4.コンベア関係(その2)
4.コンベア関係(その3)
5.ゲンソクギヤーボックス関係(その1)
5.ゲンソクギヤーボックス関係(その2)
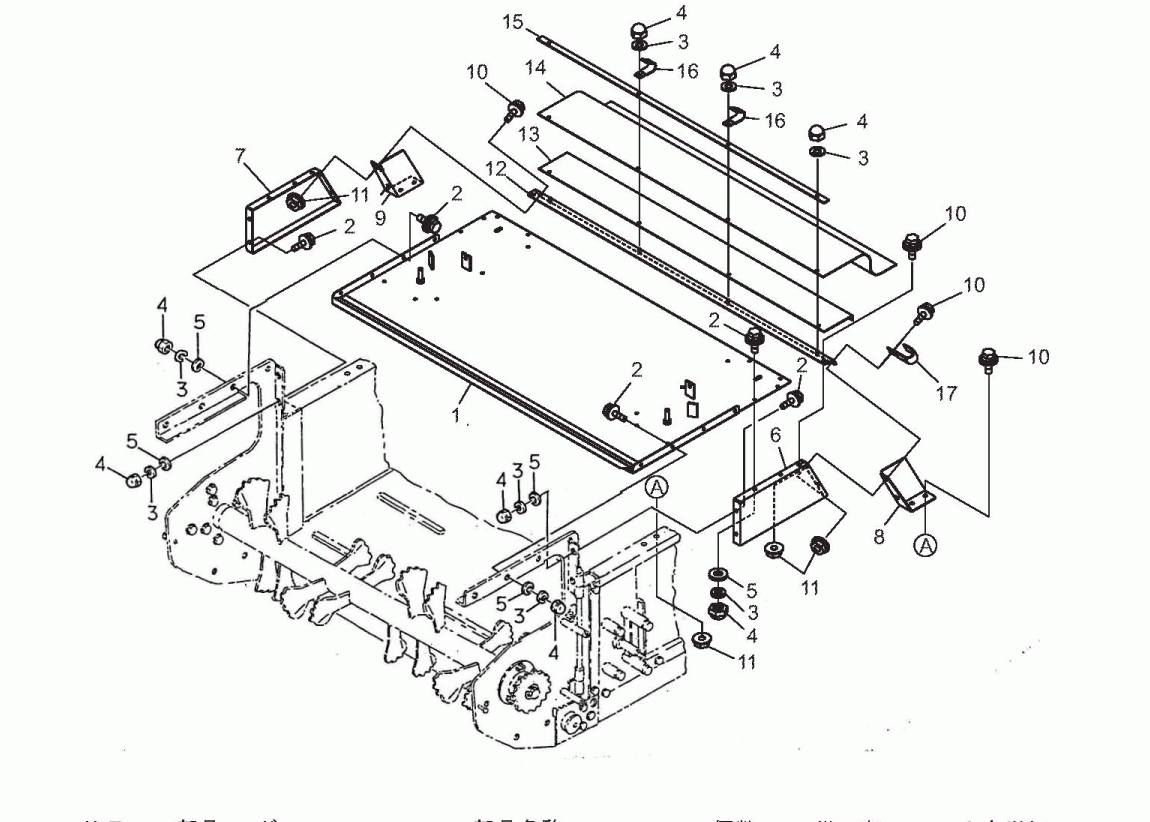
6.ヨコワク関係
7.ソラシバン関係
8.走行装置関係(その1)
8.走行装置関係(その2)
8.走行装置関係(その3)
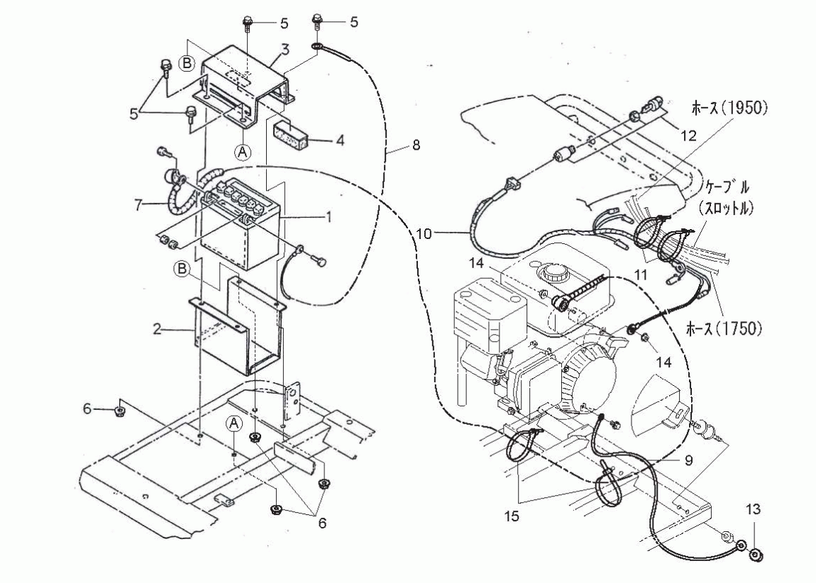
9.エンジン関係(その1)
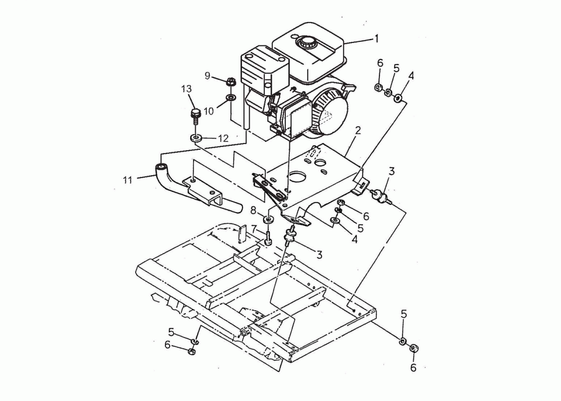
9.エンジン関係(その2)
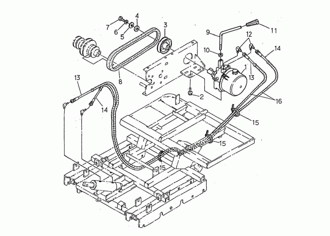
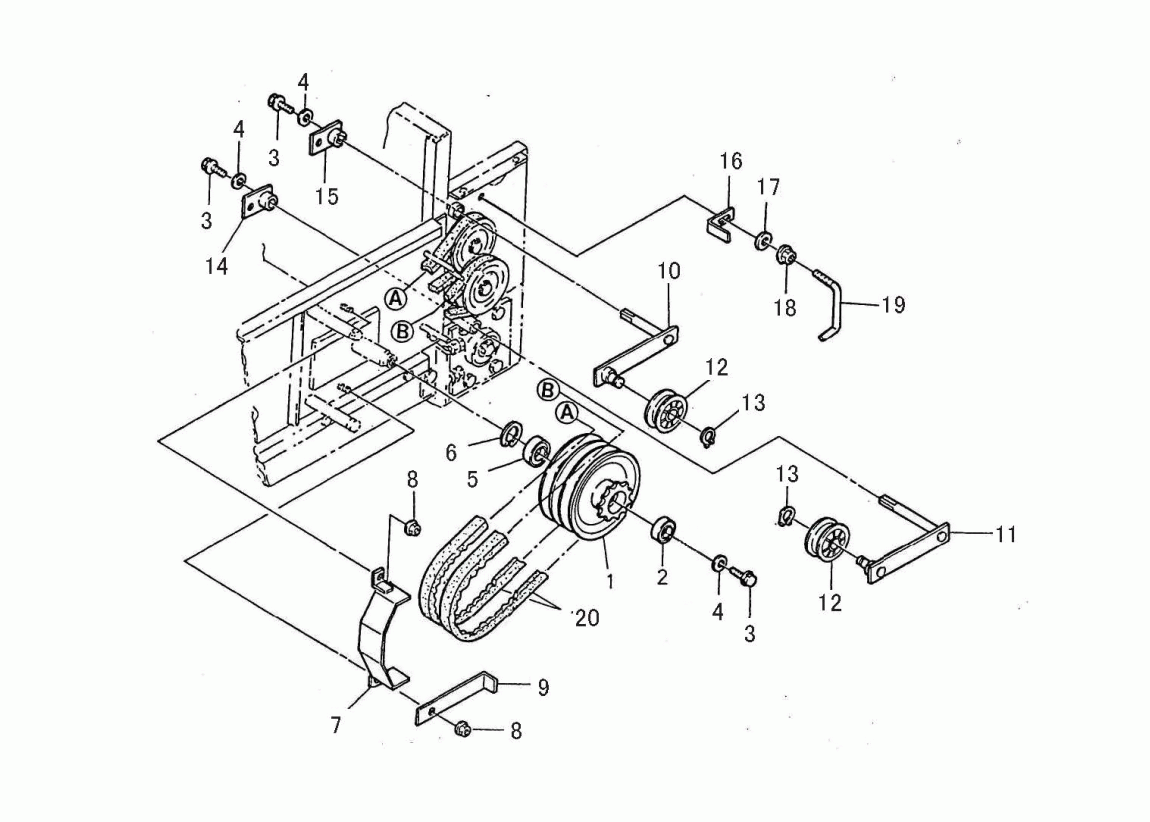
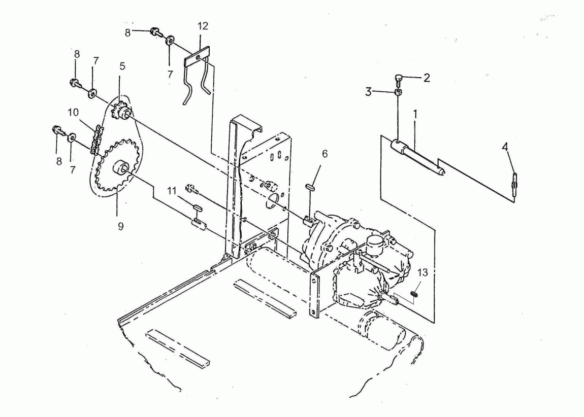
10.伝導関係(その1)
10.伝導関係(その2)
10.伝導関係(その3)
10.伝導関係(その4)
10.伝導関係(その5)
10.伝導関係(その6)
10.伝導関係(その7)
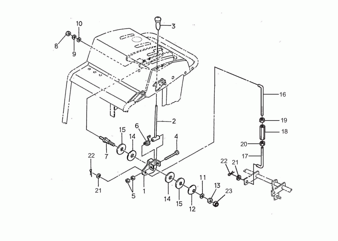
11.操作・カバー関係(その1)
11.操作・カバー関係(その2)
11.操作・カバー関係(その3)
11.操作・カバー関係(その4)
11.操作・カバー関係(その5)
11.操作・カバー関係(その6)
11.操作・カバー関係(その7)
11.操作・カバー関係(その8)
11.操作・カバー関係(その9)
11.操作・カバー関係(その10)
11.操作・カバー関係(その11)
11.操作・カバー関係(その12)
11.操作・カバー関係(その13)
11.操作・カバー関係(その14)
12.ACC関係OPT(その1)
12.ACC関係OPT(その2)
13.ビータ関係(その1)
13.ビータ関係(その2)
13.ビータ関係(その3)
13.ビータ関係(その4)
13.ビータ関係(その5)
13.ビータ関係(その6)
13.ビータ関係(その7)
13.ビータ関係(その8)
13.ビータ関係(その9)1/2
13.ビータ関係(その9)2/2
13.ビータ関係(その10)
14.ビータ関係(その11)
14.マーク関係(その1)
14.マーク関係(その2)
15.付帯品関係
16.サービス資料(その1)主な消耗部品
16.サービス資料(その2)スプレー塗料
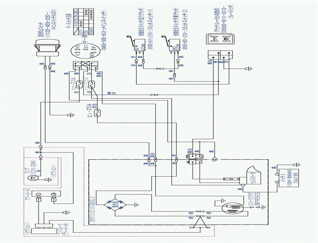
16.サービス資料(その3)配線図
移動
1.ギヤーボックス関係(その1)
1.ギヤーボックス関係(その2)
1.ギヤーボックス関係(その3)
1.ギヤーボックス関係(その4)
1.ギヤーボックス関係(その5)
1.ギヤーボックス関係(その6)
1.ギヤーボックス関係(その7)
2.フレーム関係
3.ニダイ関係(その1)
3.ニダイ関係(その2)
4.コンベア関係(その1)
4.コンベア関係(その2)
4.コンベア関係(その3)
5.ゲンソクギヤーボックス関係(その1)
5.ゲンソクギヤーボックス関係(その2)
6.ヨコワク関係
7.ソラシバン関係
8.走行装置関係(その1)
8.走行装置関係(その2)
8.走行装置関係(その3)
9.エンジン関係(その1)
9.エンジン関係(その2)
10.伝導関係(その1)
10.伝導関係(その2)
10.伝導関係(その3)
10.伝導関係(その4)
10.伝導関係(その5)
10.伝導関係(その6)
10.伝導関係(その7)
11.操作・カバー関係(その1)
11.操作・カバー関係(その2)
11.操作・カバー関係(その3)
11.操作・カバー関係(その4)
11.操作・カバー関係(その5)
11.操作・カバー関係(その6)
11.操作・カバー関係(その7)
11.操作・カバー関係(その8)
11.操作・カバー関係(その9)
11.操作・カバー関係(その10)
11.操作・カバー関係(その11)
11.操作・カバー関係(その12)
11.操作・カバー関係(その13)
11.操作・カバー関係(その14)
12.ACC関係OPT(その1)
12.ACC関係OPT(その2)
13.ビータ関係(その1)
13.ビータ関係(その2)
13.ビータ関係(その3)
13.ビータ関係(その4)
13.ビータ関係(その5)
13.ビータ関係(その6)
13.ビータ関係(その7)
13.ビータ関係(その8)
13.ビータ関係(その9)1/2
13.ビータ関係(その9)2/2
13.ビータ関係(その10)
14.ビータ関係(その11)
14.マーク関係(その1)
14.マーク関係(その2)
15.付帯品関係
16.サービス資料(その1)主な消耗部品
16.サービス資料(その2)スプレー塗料
16.サービス資料(その3)配線図