部品分類リスト
閉じる
RX-950
生産開始 2025年/現行
~ご利用方法~
1.▼をクリックし、ご希望のページを選択します。
2.[移動]ボタンをクリックすると、表示されます。
下の図をクリックして、希望のページへ移動することもできます。
▼ 目次
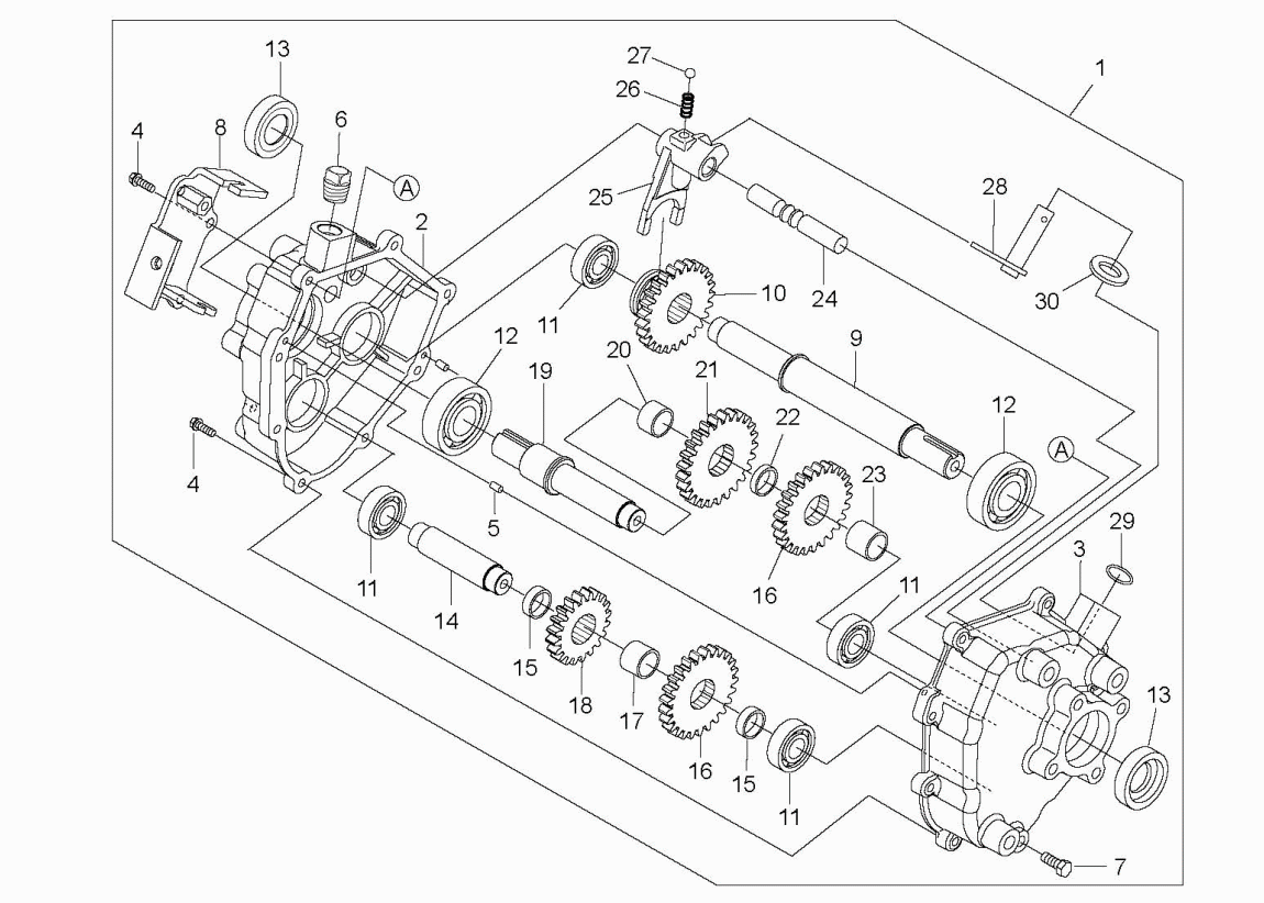
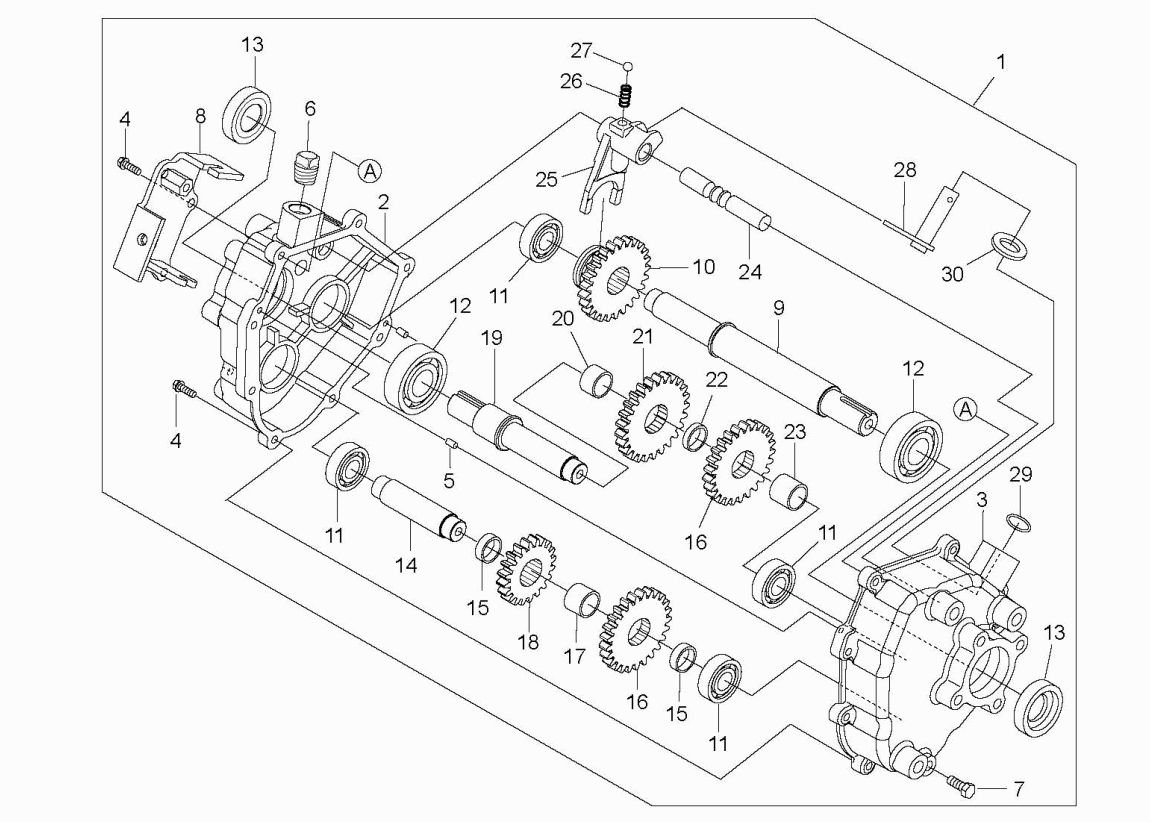
1.ギヤーボックス関係 (その1)
1.ギヤーボックス関係 (その2)
1.ギヤーボックス関係 (その3)
1.ギヤーボックス関係 (その4)
1.ギヤーボックス関係 (その5)
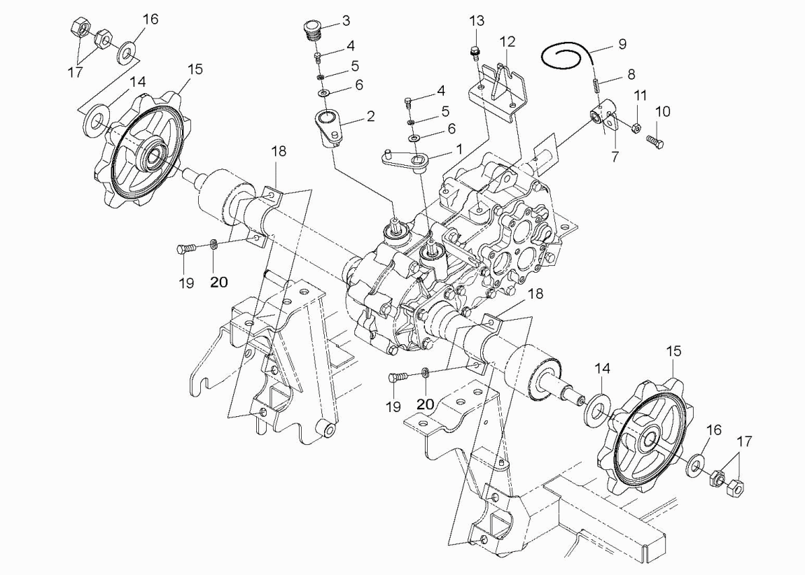
1.ギヤーボックス関係 (その6)HSTガイソウ
2.フレーム関係 (その1)
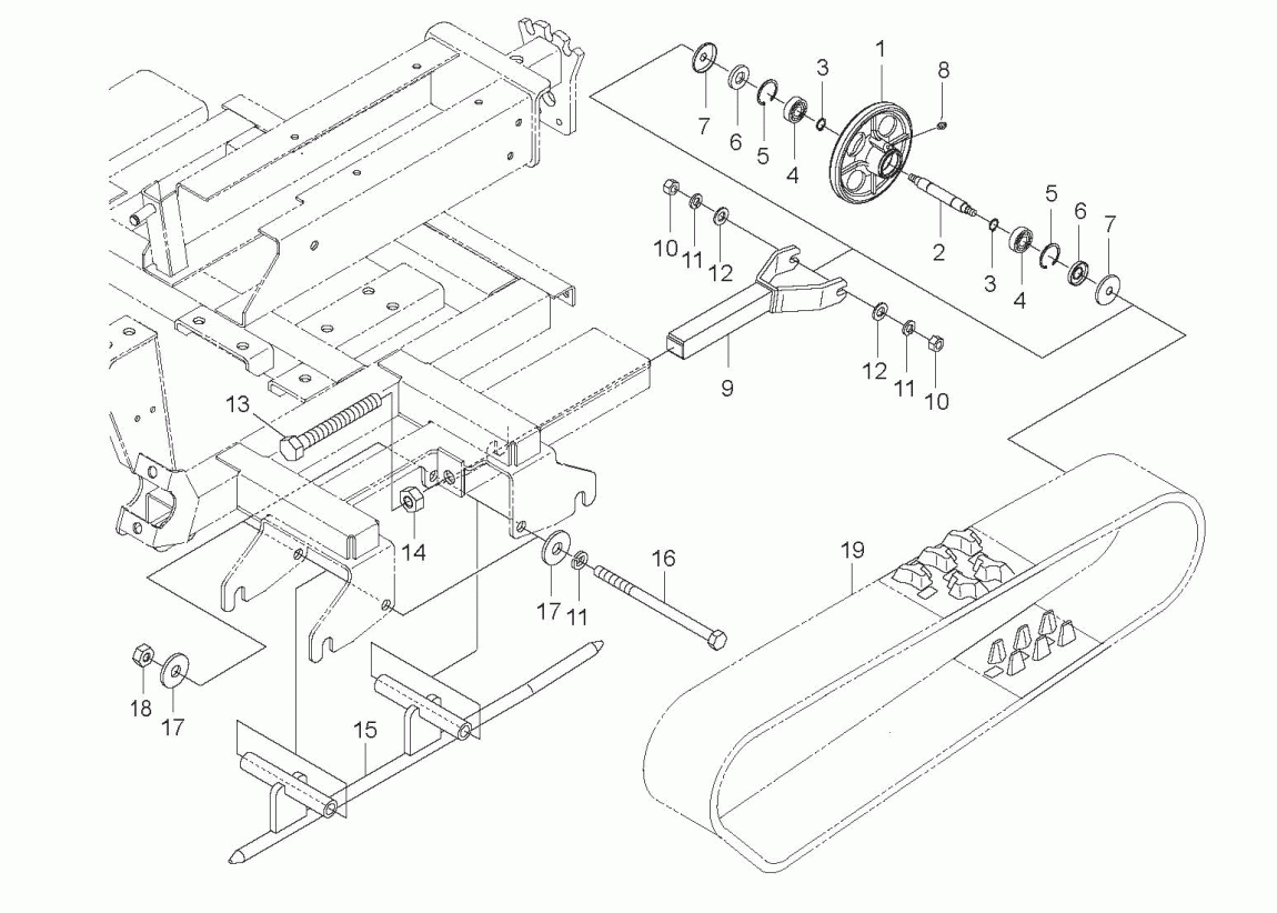
3.走行装置関係 (その1)
3.走行装置関係 (その2)
4.エンジン関係(その1)
4.エンジン関係(その2)
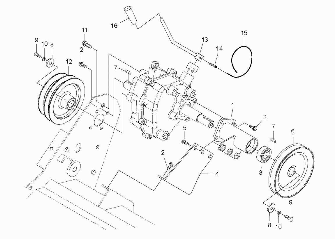
5.伝導関係 (その1)
5.伝導関係 (その2)
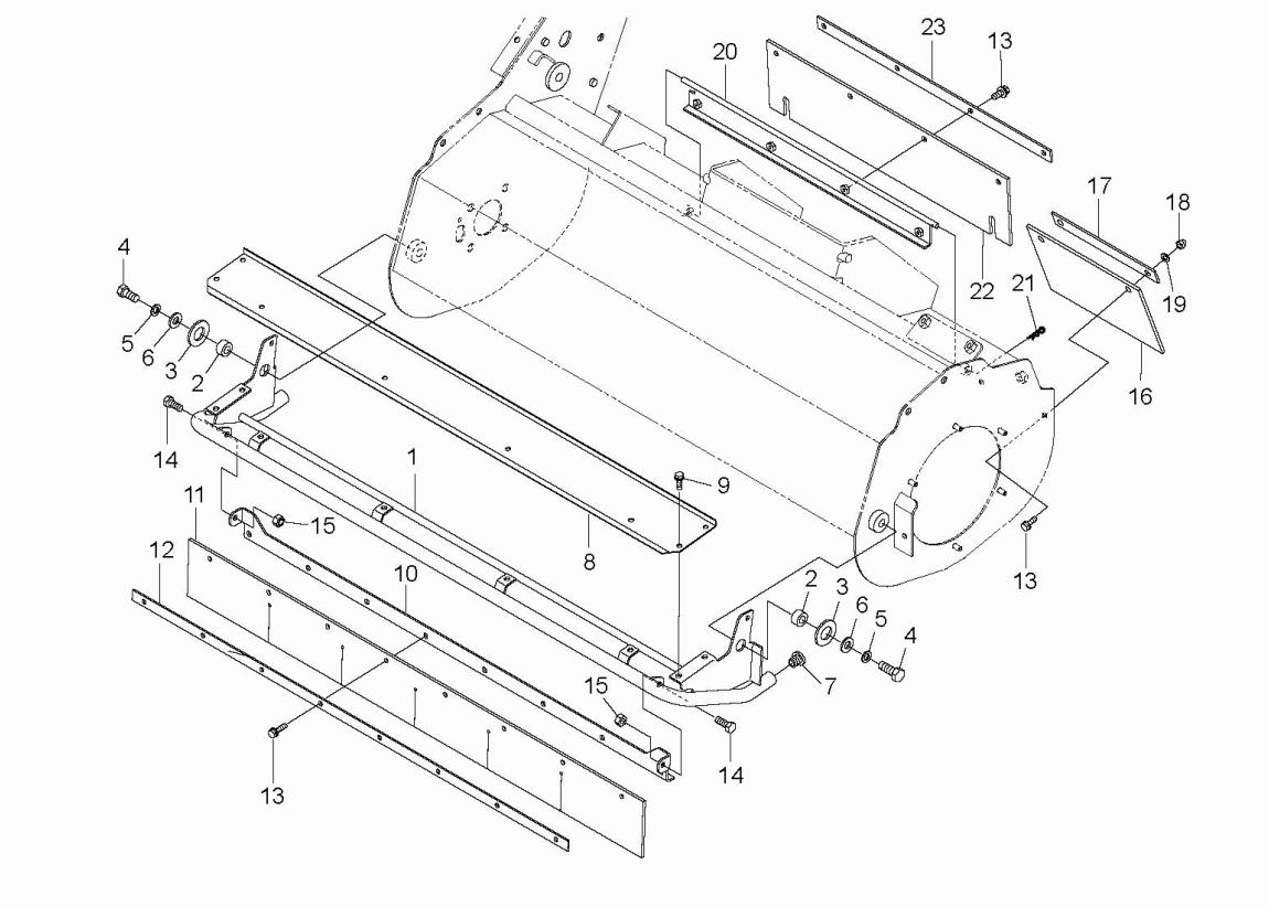
6.ハンマーナイフ関係 (その1)
6.ハンマーナイフ関係 (その2)
6.ハンマーナイフ関係 (その3)
6.ハンマーナイフ関係 (その4)
6.ハンマーナイフ関係 (その5)1/2
6.ハンマーナイフ関係 (その5)2/2
6.ハンマーナイフ関係 (その6)
6.ハンマーナイフ関係 (その7)
6.ハンマーナイフ関係 (その8)
6.ハンマーナイフ関係 (その9)
7.操作関係 (その1)
7.操作関係 (その2) 1/2
7.操作関係 (その2) 2/2
7.操作関係 (その3)
7.操作関係 (その4)
7.操作関係 (その5)
7.操作関係 (その6)
7.操作関係 (その7)
7.操作関係 (その8)
8.ラベル関係 1/2
8.ラベル関係 2/2
9.付帯品関係
10.サービス関係 (その1) 主な消耗部品
10.サービス関係 (その2) スプレー塗料
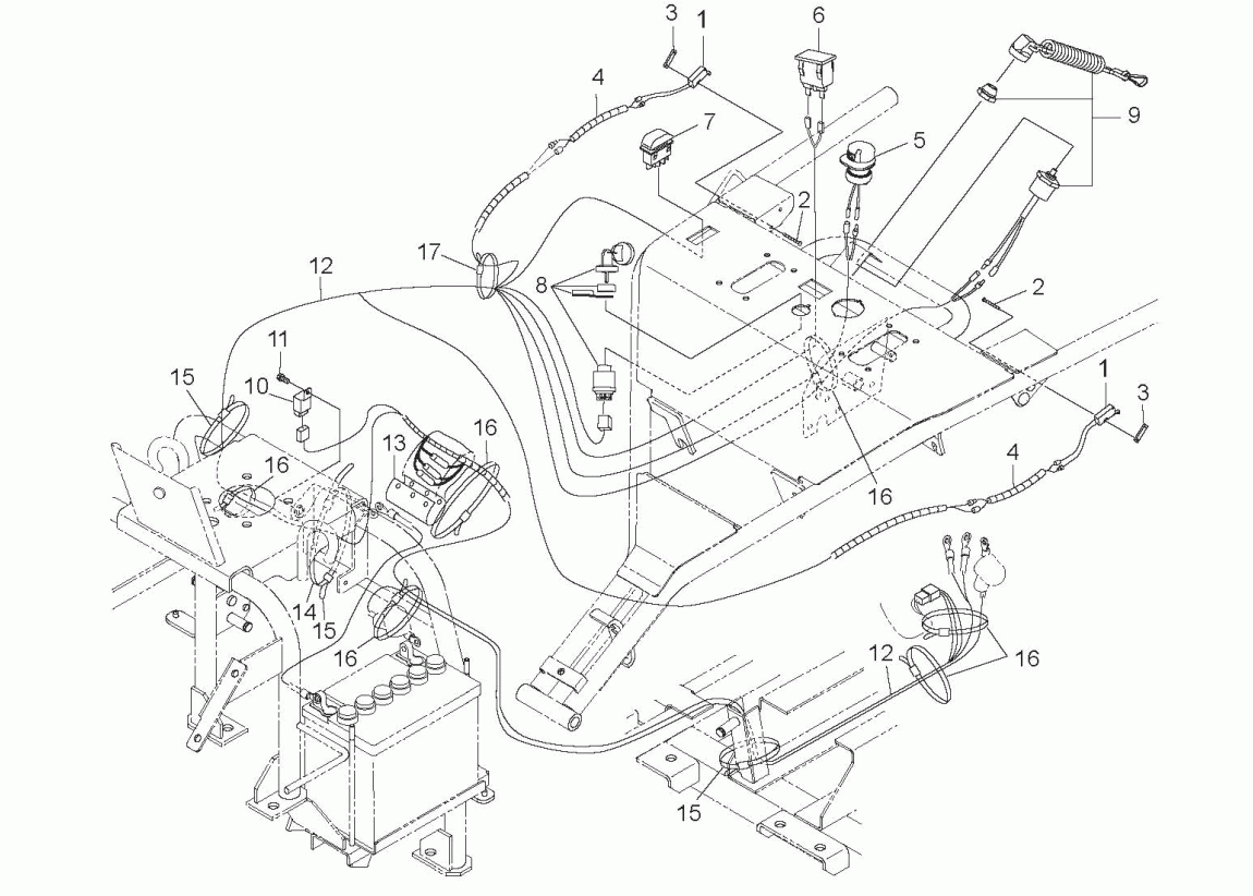
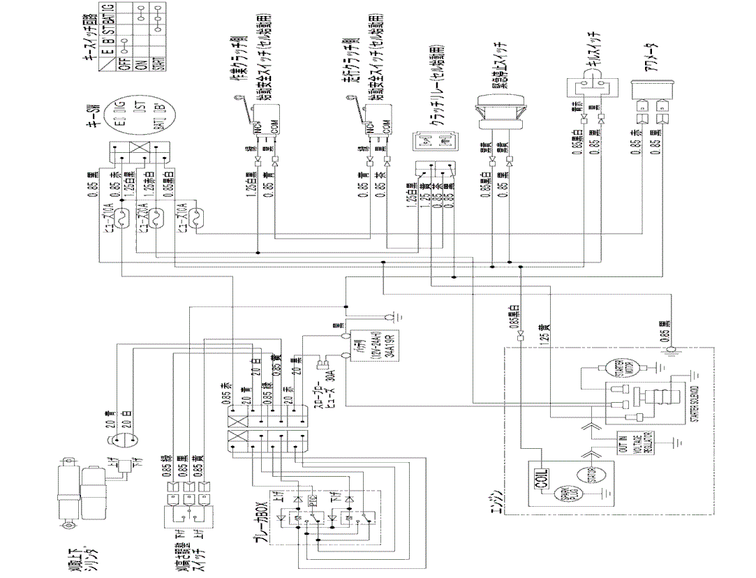
10.サービス関係 (その3) 配線図
移動
1.ギヤーボックス関係 (その1)
1.ギヤーボックス関係 (その2)
1.ギヤーボックス関係 (その3)
1.ギヤーボックス関係 (その4)
1.ギヤーボックス関係 (その5)
1.ギヤーボックス関係 (その6)HSTガイソウ
2.フレーム関係 (その1)
3.走行装置関係 (その1)
3.走行装置関係 (その2)
4.エンジン関係(その1)
4.エンジン関係(その2)
5.伝導関係 (その1)
5.伝導関係 (その2)
6.ハンマーナイフ関係 (その1)
6.ハンマーナイフ関係 (その2)
6.ハンマーナイフ関係 (その3)
6.ハンマーナイフ関係 (その4)
6.ハンマーナイフ関係 (その5)1/2
6.ハンマーナイフ関係 (その5)2/2
6.ハンマーナイフ関係 (その6)
6.ハンマーナイフ関係 (その7)
6.ハンマーナイフ関係 (その8)
6.ハンマーナイフ関係 (その9)
7.操作関係 (その1)
7.操作関係 (その2) 1/2
7.操作関係 (その2) 2/2
7.操作関係 (その3)
7.操作関係 (その4)
7.操作関係 (その5)
7.操作関係 (その6)
7.操作関係 (その7)
7.操作関係 (その8)
8.ラベル関係 1/2
8.ラベル関係 2/2
9.付帯品関係
10.サービス関係 (その1) 主な消耗部品
10.サービス関係 (その2) スプレー塗料
10.サービス関係 (その3) 配線図